产品订购咨询热线: 0755-2823 1810 企业邮箱|用户登录|ENGLISH

董事长致辞

董事长致辞

公司介绍

公司简介

发展历程

发展历程

理念文化

理念文化

资质荣誉

资质荣誉

合作伙伴

合作伙伴

公司动态

公司动态

公司公告

公司公告

业界新闻

业界新闻

贵金属行情

贵金属行情

贵金属盐类

贵金属盐类

贵金属合金材料

贵金属合金材料

资源综合开发

资源综合开发

贵金属成分分析

贵金属成分分析

贵金属精炼

贵金属精炼

招聘信息

招聘信息

人才战略

人才战略

企业福利

企业福利

企业培训

企业培训

意见反馈

意见反馈

业务咨询

业务咨询

技术支持

资料下载

首页 > 新闻资讯 >

新闻资讯

  • 公司动态
  • 公司公告
  • 业界新闻
  • 贵金属行情
    • 行业网站行情
    • 上交所每日行情

贵金属行情

联系我们

公司公告

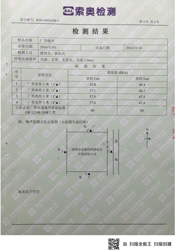
废气、噪声检测报告(2016.11.10)

来源于:本站 日期:2017-07-12


打印

返回列表上一篇:废水检测报告(2016.1.30)

下一篇:市经贸信息委关于冶金等工贸行业企业安全生产标准化三级企业达标名单的公告

顶部
金骏玮

深圳网站建设:沙漠风版权所有 深圳市金骏玮资源综合开发有限公司 粤ICP备12043737号 地址:深圳市宝安区松岗潭头第二工业区

邮编:518105  电话:(86) 755-28231810 28231188 传真:(86) 755-28231801

金俊伟会员登录注册

会员登录快速注册

用户名:

密 码:

用户名:

密 码:

邮 箱:

电 话: